Product Summary
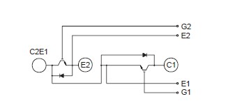
The CM400DU-12NFH is an IGBT module. Powerex IGBTMOD Module is designed for use in switching applications. The CM400DU-12NFH consists of two IGBT Transistors in a halfbridge configuration with each transistor having a reverse-connected super-fast recovery free-wheel diode. All components and interconnects are isolated from the heat sinking base plate, offering simplified system assembly and thermal management.
Parametrics
CM400DU-12NFH absolute maximum ratings: (1)Junction Temperature, Tj: -40 to 150 ℃; (2)Storage Temperature, Tstg: -40 to 125 ℃; (3)Collector-Emitter Voltage (G-E SHORT), VCES: 600 Volts; (4)Gate-Emitter Voltage (C-E SHORT), VGES: ±20 Volts; (5)Collector Current (Tc = 25℃), IC: 400 Amperes; (6)Peak Collector Current, ICM: 800 Amperes; (7)Emitter Current (Tc = 25℃), IE: 400 Amperes; (8)Peak Emitter Current, IEM: 800 Amperes; (9)Maximum Collector Dissipation (Tj < 150℃), Pc: 960 Watts; (10)Maximum Collector Dissipation (Tj < 150℃), Pc: 1640 Watts; (11)Mounting Torque, M6 Main Terminal: 40 in-lb; (12)Mounting Torque, M6 Mounting: 40 in-lb; (13)Weight: 400 Grams; (14)Isolation Voltage (Main Terminal to Baseplate, AC 1 min.), Viso: 2500 Volts.
Features
CM400DU-12NFH features: (1)Low Drive Power; (2)Low VCE(sat); (3)High Frequency Switching (50kHz to 60kHz); (4)Isolated Base Plate for Easy Heat Sinking.
Diagrams

| Image | Part No | Mfg | Description | ![]() |
Pricing (USD) |
Quantity | ||||||||||||||||
|---|---|---|---|---|---|---|---|---|---|---|---|---|---|---|---|---|---|---|---|---|---|---|
![]() |
![]() CM400DU-12NFH |
![]() |
![]() IGBT MOD DUAL 600V 400A NFH SER |
![]() Data Sheet |
![]()
|
|
||||||||||||||||
| Image | Part No | Mfg | Description | ![]() |
Pricing (USD) |
Quantity | ||||||||||||||||
![]() |
![]() CM400DU-12F |
![]() |
![]() IGBT MOD DUAL 600V 400A F SER |
![]() Data Sheet |
![]()
|
|
||||||||||||||||
![]() |
![]() CM400DU-12H |
![]() |
![]() IGBT MOD DUAL 600V 400A U SER |
![]() Data Sheet |
![]()
|
|
||||||||||||||||
![]() |
![]() CM400DU-12NFH |
![]() |
![]() IGBT MOD DUAL 600V 400A NFH SER |
![]() Data Sheet |
![]()
|
|
||||||||||||||||
![]() |
![]() CM400DU-24F |
![]() |
![]() IGBT MOD DUAL 1200V 400A F SER |
![]() Data Sheet |
![]()
|
|
||||||||||||||||
![]() |
![]() CM400DU-24H |
![]() |
![]() IGBT MOD DUAL 1200V 400A U SER |
![]() Data Sheet |
![]()
|
|
||||||||||||||||
![]() |
![]() CM400DU-24NFH |
![]() |
![]() IGBT MOD DUAL 1200V 400A NFH SER |
![]() Data Sheet |
![]()
|
|
||||||||||||||||
(Hong Kong)









