Product Summary
The APT10050JN is an enhancement mode high voltage power MOSFET.
Parametrics
APT10050JN absolute maximum ratings: (1)VDSS, drain-source voltage: 1000V; (2)ID, continuous drain current: 20.5A; (3)VGS, gate-soure voltage:±30V; (4)PD, Total power dissipation: 520W; (5)Operating and storage junction temperautre range: -55 to 150℃.
Features
APT10050JN characterstics: (1)BVDSS: 1000V; (2)ID(ON), on state drain current: 20.5A; (3)RDS(ON), Drain-source on-state resistance: 0.5Ohms; (4)IDSS: 250μA; (5)IGSS, gate-source leakage current: ±100nA; (6)VGS, gate threshold voltage: 4V.
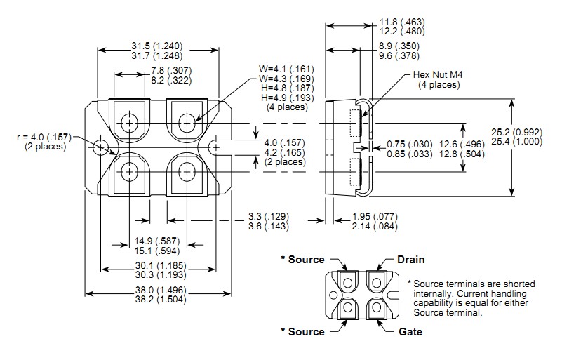
Diagrams

| Image | Part No | Mfg | Description |  | Pricing (USD) | Quantity | ||||
|---|---|---|---|---|---|---|---|---|---|---|
|  |  APT10050JN |  Other |  |  Data Sheet |  Negotiable |  | ||||
| Image | Part No | Mfg | Description |  | Pricing (USD) | Quantity | ||||
|  |  APT1001R1AN |  Other |  |  Data Sheet |  Negotiable |  | ||||
|  |  APT1001R1AVR |  Other |  |  Data Sheet |  Negotiable |  | ||||
|  |  APT1001R1BN |  Other |  |  Data Sheet |  Negotiable |  | ||||
|  |  APT1001R1BVFR |  Other |  |  Data Sheet |  Negotiable |  | ||||
|  |  APT1001R1HN |  Other |  |  Data Sheet |  Negotiable |  | ||||
|  |  APT1001R1HVR |  Other |  |  Data Sheet |  Negotiable |  | ||||
 (Hong Kong)
 (Hong Kong) 
                         
                        
 
                                    




