Product Summary
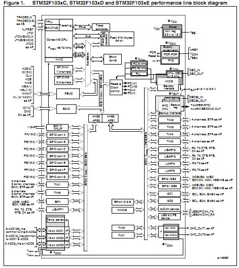
The STM32F207ZGT6 is a High-density performance line ARM-based 32-bit MCU with 256 to 512KB Flash, USB, CAN, 11 timers, 3 ADCs, 13 communication interfaces. The STM32F207ZGT6 incorporates the high-performance ARM Cortex-M3 32-bit RISC core operating at a 72 MHz frequency, high-speed embedded memories (Flash memory up to 512 Kbytes and SRAM up to 64 Kbytes), and an extensive range of enhanced I/Os and peripherals connected to two APB buses. The STM32F207ZGT6 offers three 12-bit ADCs, four general-purpose 16-bit timers plus two PWM timers, as well as standard and advanced communication interfaces: up to two I2Cs, three SPIs, two I2Ss, one SDIO, five USARTs, an USB and a CAN.
Parametrics
STM32F207ZGT6 absolute maximum ratings: (1)VDD–VSS, External main supply voltage (including VDDA and VDD): –0.3 to 4.0V; (2)VIN, Input voltage on five volt tolerant pin: VSS - 0.3 VDD + 4.0V; Input voltage on any other pin: VSS - 0.3 to 4.0V; (3)|ΔVDDx|, Variations between different VDD power pins: 50mV; (4)|VSSX - VSS|, Variations between all the different ground pins: 50mV.
Features
STM32F207ZGT6 features: (1)72 MHz maximum frequency, 1.25 DMIPS/MHz (Dhrystone 2.1) performance at 0 wait state memory access; (2)Single-cycle multiplication and hardware division; (3)256 to 512 Kbytes of Flash memory; (4)up to 64 Kbytes of SRAM; (5)Flexible static memory controller with 4 Chip Select. Supports Compact Flash, SRAM, PSRAM, NOR and NAND memories; (6)LCD parallel interface, 8080/6800 modes; (7)Up to four 16-bit timers, each with up to 4 IC/OC/PWM or pulse counter and quadrature (incremental) encoder input; (8)2 × 16-bit motor control PWM timers with dead-time generation and emergency stop; (9)2 × watchdog timers (Independent and Window); (10)SysTick timer: a 24-bit downcounter; (11)2 × 16-bit basic timers to drive the DAC.
Diagrams

| Image | Part No | Mfg | Description | ![]() |
Pricing (USD) |
Quantity | ||||||||||||
|---|---|---|---|---|---|---|---|---|---|---|---|---|---|---|---|---|---|---|
![]() |
![]() STM32F207ZGT6 |
![]() STMicroelectronics |
![]() ARM Microcontrollers (MCU) 32BIT ARM Cortex M3 Connectivity 1024kB |
![]() Data Sheet |
![]()
|
|
||||||||||||
![]() |
![]() STM32F207ZGT6TR |
![]() STMicroelectronics |
![]() ARM Microcontrollers (MCU) 32BIT ARM Cortex M3 Connectivity 1024kB |
![]() Data Sheet |
![]()
|
|
||||||||||||
(Hong Kong)









