Product Summary
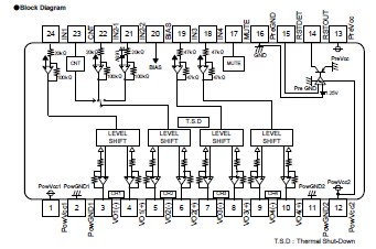
The BD82HM67 SLJ4N is a System Motor Driver IC of 5 input 4 output developed for driving Spindle motor, Sled/Loading motor and the actuator coil. The hysteresis comparator for reset is built in, and the number of parts can reduce. The BD82HM67 SLJ4N is used in Car Audio.
Parametrics
BD82HM67 SLJ4N absolute maximum ratings: (1)Power supply voltage PreVcc,PowVcc1, PowVcc2: 15 V; (2)Input terminal voltage 1 Vin1: PreVCC V; (3)Input terminal voltage 2 Vin2: PowVCC2 V; (4)Power dissipation Pd: 1.1 W; (5)Operating temperature range Topr: -40~+85 ℃; (6)Storage temperature Tstg: -55~+150 ℃; (7)Junction temperature Tjmax: +150 ℃.
Features
BD82HM67 SLJ4N features: (1)4CH BTL Driver; (2)HTSSOP-B24 power package is adopted, the set is miniaturized.; (3)Has a wide dynamic range(PreVcc=PowVcc=8V,RL=8Ω, 6.0V(typ.)); (4)Built-in thermal-shut down circuit; (5)Separating Vcc into Pre and Power (Power divides into CH1/2 and CH3/4), can make better Power efficiency; (6)Switches CH2 input by Control input terminal (CNT); (7)Incorporates mute function by CNT terminal and mute terminal; (8)Built in hysteresis comparator for reset.
Diagrams

(Hong Kong)






