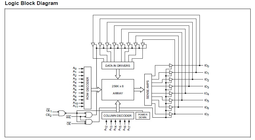
Product Summary
The CY62138FV30LL-45ZA is a high performance CMOS static RAM organized as 256K words by 8 bits. This CY62138FV30LL-45ZA features advanced circuit design to provide ultra low active current. This is ideal for providing More Battery Life(MoBL) in portable applications such as cellular telephones. The CY62138FV30LL-45ZA also has an automatic power down feature that significantly reduces power consumption. Place the device into standby mode reducing power consumption when deselected (CE1HIGH or CE2 LOW).
Parametrics
CY62138FV30LL-45ZA maximum ratings: (1)Storage Temperature: –65℃ to +150℃; (2)Ambient Temperature with Power Applied: 55℃ to +125℃; (3)Supply Voltage to Ground Potential: –0.3V to 3.9V; (4)DC Voltage Applied to Outputs in High-Z State: –0.3V to 3.9V; (5)DC Input Voltage: –0.3V to 3.9V; (6)Output Current into Outputs (LOW): 20 mA; (7)Static Discharge Voltage: > 2001V(MIL-STD-883, Method 3015); (8)Latch-up Current: > 200 mA.
Features
CY62138FV30LL-45ZA features: (1)Very high speed: 45 ns; (2)Wide voltage range: 2.20V–3.60V; (3)Pin compatible with CY62138CV25/30/33; (4)Ultra low standby power: Typical standby current: 1 μA; Maximum standby current: 5 μA; (5)Ultra low active power: Typical active current: 1.6 mA @ f = 1 MHz; (6)Easy memory expansion with CE1, CE2, and OE features; (7)Automatic power down when deselected; (8)CMOS for optimum speed and power; (9)Offered in Pb-free 36-ball VFBGA, 32-pin TSOP II, 32-pin SOIC, 32-pin TSOP I and 32-pin STSOP packages.
Diagrams

| Image | Part No | Mfg | Description |  | Pricing (USD) | Quantity | ||||||||||||
|---|---|---|---|---|---|---|---|---|---|---|---|---|---|---|---|---|---|---|
|  |  CY62138FV30LL-45ZAXA |  Cypress Semiconductor |  SRAM 2 MB 256Kb x 8 SRAM |  Data Sheet |  
 |  | ||||||||||||
|  |  CY62138FV30LL-45ZAXAT |  Cypress Semiconductor |  SRAM 2 Mb 256Kb x 8 SRAM |  Data Sheet |  
 |  | ||||||||||||
|  |  CY62138FV30LL-45ZAXI |  Cypress Semiconductor |  SRAM SLO 5.0V SUPER LO PWR 128Kx16 SRAM IND |  Data Sheet |  
 |  | ||||||||||||
|  |  CY62138FV30LL-45ZAXIT |  Cypress Semiconductor |  SRAM SLO 5.0V SUPER LO PWR 128Kx16 SRAM IND |  Data Sheet |  
 |  | ||||||||||||
 (Hong Kong)
 (Hong Kong) 
                         
                        
 
                                    




