Product Summary
The DSPIC30F2010-30I SO is a 16-Bit Digital Signal Controller.
Parametrics
DSPIC30F2010-30I SO absolute maximum ratings: (1)Ambient temperature under bias: -40℃ to +125℃; (2)Storage temperature: -65℃ to +150℃; (3)Voltage on any pin with respect to VSS (except VDD and MCLR): -0.3V to (VDD + 0.3V); (4)Voltage on VDD with respect to VSS: -0.3V to +5.5V; (5)Voltage on MCLR with respect to VSS: 0V to +13.25V; (6)Total power dissipation: 1.0W; (7)Maximum current out of VSS pin: 300 mA; (8)Maximum current into VDD pin: 250 mA; (9)Input clamp current, IIK (VI < 0 or VI > VDD): ±20 mA; (10)Output clamp current, IOK (VO < 0 or VO > VDD): ±20 mA; (11)Maximum output current sunk by any I/O pin: 25 mA; (12)Maximum output current sourced by any I/O pin: 25 mA; (13)Maximum current sunk by all ports: 200 mA; (14)Maximum current sourced by all ports: 200 mA.
Features
DSPIC30F2010-30I SO features: (1)Modified Harvard architecture; (2)C compiler optimized instruction set architecture; (3)83 base instructions with flexible addressing modes; (4)24-bit wide instructions, 16-bit wide data path; (5)12 Kbytes on-chip Flash program space; (6)512 bytes on-chip data RAM; (7)1 Kbyte nonvolatile data EEPROM ; (8)16 x 16-bit working register array; (9)Up to 30 MIPs operation: DC to 40 MHz external clock input; 4 MHz-10 MHz oscillator input with PLL active (4x, 8x, 16x); (10)27 interrupt sources; (11)Three external interrupt sources; (12)8 user-selectable priority levels for each interrupt; (13)4 processor exceptions and software traps.
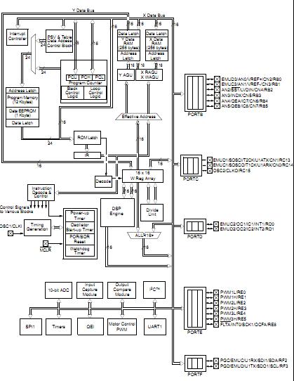
Diagrams

(Hong Kong)






