Product Summary
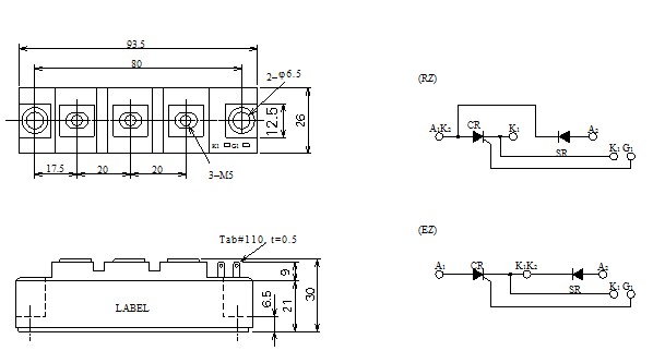
The TM90EZ-M is a high power general use mitsubishi thyristor module. Its applications include DC motor control, NC equipment, AC motor cntrol, contactless switches, electric fumace temperature control, light dimmers.
Parametrics
TM90EZ-M absolute maximum rating: (1)VRRM, repetitive peak reverse voltage: 400v; (2)vrsm, non-repetitive peak reverse voltage: 480v; (3)vr, dc reverse voltage: 320v; (4)vdsm, non-repetitive peak off-state voltage: 480v; (5)IT, RMS current: 140A; (6)Surge current: 1800A; (7)PG, average gate power dissipation: 0.5W.
Features
TM90EZ-M features: (1)IT(AV), average on-state current: 90A; (2)IF(AV), average forward current: 90A; (3)VRRM, repetitive peak reverse voltage: 400/800V; (4)VDRM, repetitive peak off-state voltage: 400/800V; (5)MIX double arms; (6)insulated type; (7)UL recognized.
Diagrams

| Image | Part No | Mfg | Description | ![]() |
Pricing (USD) |
Quantity | ||||||
|---|---|---|---|---|---|---|---|---|---|---|---|---|
![]() |
![]() TM90EZ-M |
![]() Other |
![]() |
![]() Data Sheet |
![]() Negotiable |
|
||||||
| Image | Part No | Mfg | Description | ![]() |
Pricing (USD) |
Quantity | ||||||
![]() |
![]() TM905BRK |
![]() |
![]() ANT MOUNT MECHANICAL DOWNTILT |
![]() Data Sheet |
![]()
|
|
||||||
![]() |
![]() TM905BRKN |
![]() |
![]() ANT MOUNT MECHANICAL DOWNTILT |
![]() Data Sheet |
![]()
|
|
||||||
![]() |
![]() TM90CZ-24 |
![]() Other |
![]() |
![]() Data Sheet |
![]() Negotiable |
|
||||||
![]() |
![]() TM90CZ-H |
![]() Other |
![]() |
![]() Data Sheet |
![]() Negotiable |
|
||||||
![]() |
![]() TM90CZ-M |
![]() Other |
![]() |
![]() Data Sheet |
![]() Negotiable |
|
||||||
![]() |
![]() TM90DZ-24 |
![]() Other |
![]() |
![]() Data Sheet |
![]() Negotiable |
|
||||||
(Hong Kong)









