Product Summary
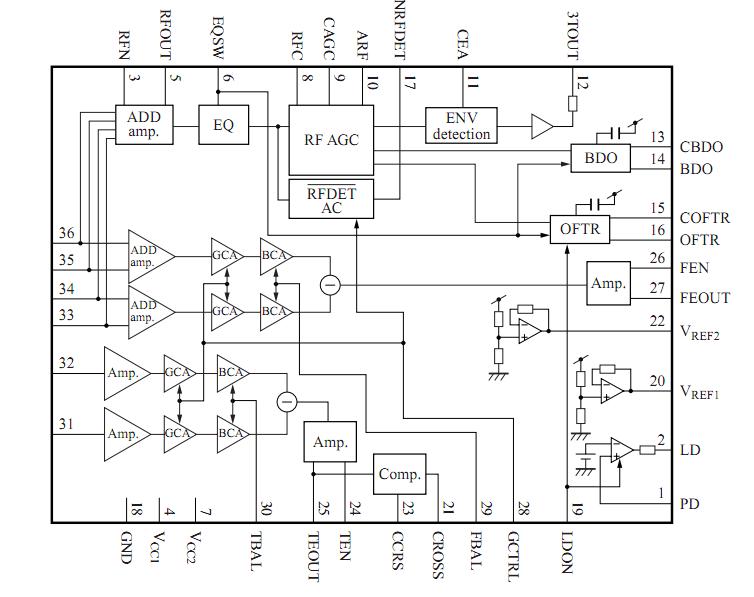
The AN8849SB is a head amplifier IC for digital servo. It can configure an efficient CD-ROM system in combination with the MN662752, and allows a full-automatic adjustment of tracking balance-gain-offset and focus balance-gain-offset with fewer external parts. Built-in functions are a variable equalizer, wide band RF amp and AGC which meet CAV playback with 24 times speed or more. The application of the AN8849SB includes CD/CD-ROM drive.
Parametrics
AN8849SB absolute maximum ratings: (1)Supply voltage, VCC1: 5.8 V; (2)Supply voltage, VCC2: 5.8 V; (3)Supply current, ICC1: 55 mA; (4)Supply current, ICC2: 2.5 mA; (5)Power dissipation, PD: 333.5 mW; (6)Operating ambient temperature, Topr: -20 to +75℃; (7)Storage temperature, Tstg: -55 to +125℃.
Features
AN8849SB features: (1)Variable equalizer which meets CAV playback with 24 times speed or more CAV playback; (2)Wide band RF amp. and AGC (fC = 20 MHz or more (-3 dB)); (3)Balance adjustment function built-in Focus error amp./tracking error amp; (4)CD-RW playback compatible Variable gain; (5)Focus error amp./tracking error amp (to +16.9 dB); (6)OFTR/BDO detection; (7)APC amp.
Diagrams

| Image | Part No | Mfg | Description | ![]() |
Pricing (USD) |
Quantity | ||||
|---|---|---|---|---|---|---|---|---|---|---|
![]() |
![]() AN8849SB |
![]() Other |
![]() |
![]() Data Sheet |
![]() Negotiable |
|
||||
| Image | Part No | Mfg | Description | ![]() |
Pricing (USD) |
Quantity | ||||
![]() |
![]() AN8806SB |
![]() Other |
![]() |
![]() Data Sheet |
![]() Negotiable |
|
||||
![]() |
![]() AN8807SB |
![]() Other |
![]() |
![]() Data Sheet |
![]() Negotiable |
|
||||
![]() |
![]() AN8808SB |
![]() Other |
![]() |
![]() Data Sheet |
![]() Negotiable |
|
||||
![]() |
![]() AN8813NSB |
![]() Other |
![]() |
![]() Data Sheet |
![]() Negotiable |
|
||||
![]() |
![]() AN8814SB |
![]() Other |
![]() |
![]() Data Sheet |
![]() Negotiable |
|
||||
![]() |
![]() AN8816SB |
![]() Other |
![]() |
![]() Data Sheet |
![]() Negotiable |
|
||||
(Hong Kong)









