Product Summary
The GA600HD25S is a single switch IGBT module.
Parametrics
GA600HD25S absolute maximum ratings: (1)Collecor-to-emitter voltage:250V; (2)Continuous collector current: 600A; (3)Pulsed collector current: 1200A; (4)Peak switching current: 1200A; (5)Gate-to-emitter voltage: ±17V; (6)Maximum power dissipation: 1920W.
Features
GA600HD25S features: (1)Standard speed, optimized for battery powered applications; (2)Very low conduction losses; (3)Industry standard package; (4)UL rcognition pending; (5)Internal thermistor.
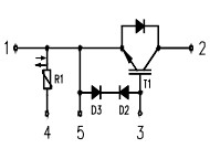
Diagrams

| Image | Part No | Mfg | Description | ![]() |
Pricing (USD) |
Quantity | ||||
|---|---|---|---|---|---|---|---|---|---|---|
![]() |
![]() GA600HD25S |
![]() Other |
![]() |
![]() Data Sheet |
![]() Negotiable |
|
||||
| Image | Part No | Mfg | Description | ![]() |
Pricing (USD) |
Quantity | ||||
![]() |
![]() GA600GD25S |
![]() Other |
![]() |
![]() Data Sheet |
![]() Negotiable |
|
||||
![]() |
![]() GA600HD25S |
![]() Other |
![]() |
![]() Data Sheet |
![]() Negotiable |
|
||||
(Hong Kong)









