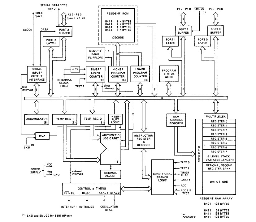
Product Summary
The MAB-8410P is a single-chip 8-bit microcontroller. The MAB-8410P microcontroller is designed to be an efficient controller as well as an arithmetric processor. The instruction set is based on that of the MAB-8410P. The microcontroller has extensive bit handling abilities and facilities for both binary and BCD arithmetic.
Parametrics
MAB-8410P absolute maximum ratings: (1)Input voltage on any pin with respect to ground: VI: -0.5 to +7V; (2)Total power dissipation: 1W; (3)Input/output current for all pins: II, IO: 10mA; (4)Storage temperature, Tstg: -65 to +150℃; (5)Operating temperature standard, Tamb: 0 to +70℃; (6)extendard, Tamb: -40 to +85℃; (7)automotive, Tamb: -40 to +110℃.
Features
MAB-8410P features: (1)8 bit: CPU, ROM, RAM and I/O in a single 28 lead DIL package; (2)2K, 4K or 6K ROM bytes plus a ROM less version; (3)64 or 128RAM bytes; (4)20 quasi-bidirectional I/O port lines; (5)Two testable inputs: one of which can be used to detect zero cross over the other is also the external interrupt input.
Diagrams

(Hong Kong)






