Product Summary
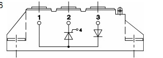
The SKKH106/16E is a thyristor diode module. Its applications include DC motor control, AC motor soft starters, temperature control, professional light dimming.
Parametrics
SKKH106/16E absolute maximum ratings: (1)VRSMl: 1700V; (2)VRRM: 1600V; (3)dv/dt: 1000V/μs; (4)ITRMS: 180A.
Features
SKKH106/16E features: (1)Heat transfer through aluminium oxide ceramic isolated metal baseplate; (2)Hard soldered joints for high reliability; (3)UL recognized, file no. E63523.
Diagrams

![]() |
![]() SKKH 213 |
![]() Other |
![]() |
![]() Data Sheet |
![]() Negotiable |
|
||||
![]() |
![]() SKKH 253 |
![]() Other |
![]() |
![]() Data Sheet |
![]() Negotiable |
|
||||
![]() |
![]() SKKH 56 |
![]() Other |
![]() |
![]() Data Sheet |
![]() Negotiable |
|
||||
![]() |
![]() SKKH 57 |
![]() Other |
![]() |
![]() Data Sheet |
![]() Negotiable |
|
||||
![]() |
![]() SKKH105 |
![]() Other |
![]() |
![]() Data Sheet |
![]() Negotiable |
|
||||
![]() |
![]() SKKH106 |
![]() Other |
![]() |
![]() Data Sheet |
![]() Negotiable |
|
||||
(Hong Kong)








