Product Summary
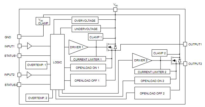
The VND810SP is a double channel high side driver. The VND810SP is a monolithic device made by using STMicroelectronics VIPower M0-3 Technology, intended for driving any kind of load with one side connected to ground. Active VCC pin voltage clamp protects the device against low energy spikes. Active current limitation combined with thermal shutdown and automatic restart protects the device against overload.
Parametrics
VND810SP absolute maximum ratings: (1)VCC, DC Supply Voltage: 41 V; (2)-VCC, Reverse DC Supply Voltage: -0.3 V; (3)-IGND, DC Reverse Ground Pin Current: -200 mA; (4)IOUT, DC Output Current: Internally Limited A; (5)-IOUT, Reverse DC Output Current: -6 A; (6)IIN, DC Input Current: +/-10 mA; (7)Istat, DC Status Current: +/-10 mA; (8)EMAX, Maximum Switching Energy (L=1.4mH; RL=0Ω Vbat=13.5V; Tjstart=150oC; IL=5A): 24 mJ; (9)Ptot, Power Dissipation TC=25℃: 52 W; (10)Tj, Junction Operating Temperature: Internally Limited℃; (11)Tc, Case Operating Temperature: -40 to 150℃; (12)Tstg, Storage Temperature: -55 to 150℃.
Features
VND810SP features: (1)cmos compatible inputs; (2)open drain status outputs; (3)on state open load detection; (4)off state open load detection; (5)shorted load protection; (6)undervoltage and overvoltage shutdown; (7)protection against loss of ground; (8)very low stand-by current; (9)reverse battery protection.
Diagrams

| Image | Part No | Mfg | Description | ![]() |
Pricing (USD) |
Quantity | ||||||||||||
|---|---|---|---|---|---|---|---|---|---|---|---|---|---|---|---|---|---|---|
![]() |
![]() VND810SP |
![]() STMicroelectronics |
![]() Power Driver ICs Double Ch High Side |
![]() Data Sheet |
![]()
|
|
||||||||||||
![]() |
![]() VND810SP13TR |
![]() STMicroelectronics |
![]() Power Driver ICs Double Ch High Side |
![]() Data Sheet |
![]()
|
|
||||||||||||
![]() |
![]() VND810SPTR-E |
![]() STMicroelectronics |
![]() Power Driver ICs Double Ch High Side |
![]() Data Sheet |
![]()
|
|
||||||||||||
![]() |
![]() VND810SP-E |
![]() STMicroelectronics |
![]() Power Driver ICs Double Ch High Side |
![]() Data Sheet |
![]()
|
|
||||||||||||
(Hong Kong)









